Отводы гнутые ГОСТ 22793–83
Ниже представлены технические характеристики и параметры для серии Отводы гнутые ГОСТ 22793–83.
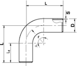
Отводы гнутые для трубопроводов, применяемые на предприятиях отраслей нефтехимической промышленности и для производства минеральных удобрений, по Ру св. 10 до 100 МПа, Ду от 6 до 200 мм при температуре среды от минус 50°С до плюс 510°С.
Марка стали: сталь 20 ГОСТ 1050, 15ХМ ГОСТ 20072, 10Г2 ГОСТ 4543 09Г2С ГОСТ 19281, 08Х18Н10Т ГОСТ 5632.
Отвод 4 - 15° - 65 - 100 - 127 х 28 - 09Г2С - ГОСТ 22793
Марка стали: сталь 20 ГОСТ 1050, 15ХМ ГОСТ 20072, 10Г2 ГОСТ 4543 09Г2С ГОСТ 19281, 08Х18Н10Т ГОСТ 5632.
Пример условного обозначения
гнутого отвода исполнения 4 с углом_ =15° Ду 65 мм на условное давление Ру 63МПа согласно таблицы из трубы 127 х 28 мм из стали марки 09Г2С:Отвод 4 - 15° - 65 - 100 - 127 х 28 - 09Г2С - ГОСТ 22793