Логотип АстронЭнерго

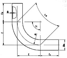
Отводы

Детали предназначаются для соединения труб из углеродистой стали при строительстве технологических трубопроводов, в том числе трубопроводов, на которые распространяются правила устройства и безопасной эксплуатации трубопроводов пара и горячей воды. Госгортехнадзора на предприятиях химической и нефтехимической промышленности.