Гильзы А14Б 594.000 серия 5.900-7 выпуск 4
Ниже представлены технические характеристики и параметры для серии Гильзы А14Б 594.000 серия 5.900-7 выпуск 4 .
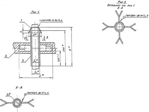
Гильзы А14Б 594.000 серия 5.900-7 выпуск 4 для прохода труб через перекрытие Ду 50 - 250 мм
Гильзы А14Б 594.000 для прохода труб через перекрытие. Применяются для крепления трубопроводов, транспортирующих воду и пар с температурой до 150°С, либо холодоноситель с температурой от -15°С до 15°С с максимальным давлением до 1,6 МПа (16 кгс/см2).
Условный диаметр прокладываемых трубопроводов Ду 50 – 250 мм.
Стандартно гильзы А14Б 594.000 изготавливаются из марок стали сталь 3, 20, 09Г2С. Стандартное покрытие – транспортировочный грунт ГФ-021.
Гильзы для прохода труб через перекрытие А14Б 594.000 СБ изготавливаются в соответствии с чертежами серии 5.900-7 выпуск 4
![]()