Логотип АстронЭнерго

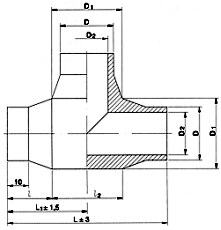
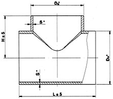
Тройники сварные равнопроходные ОСТ 34-10-762-97

Тройники сварные равнопроходные ОСТ 34-10-762-97

Ниже представлены технические характеристики и параметры для серии Тройники сварные равнопроходные ОСТ 34-10-762-97.

Тройники сварные равнопроходные ОСТ 34-10-762-97.

Настоящий стандарт распространяется на сварные равнопроходные тройники из углеродистой и низколегированной сталей для трубопроводов тепловых электростанций.
Стандарт соответствует требованиям ''Правил устройства и безопасной эксплуатации трубопроводов пара и горячей воды'' РД 03-94, утвержденным Госгортехнадзором РФ.
Сварные равнопроходные тройники предназначены для применения на трубопроводах, на которые распространяются РД 03-94.
Допускается применение сварных равнопроходных тройников по настоящему стандарту для изготовления трубопроводов по СниП 3.05.05-84.

Тех. характеристики:

Для трубопроводов тепловых сетей допускается применение сварных равнопроходных тройников на рабочее давление до 4,0 Мпа (<= 40,0 кгс/см2), при рабочей температуре до 350°С.

Материалы изготовления:

трубы бесшовные на Рраб.<2,2 МПа и Траб. <=425°С по ГОСТ 8733 , 8731 гр.В (сталь марки 10Г2 по ГОСТ 4543) по ТУ 14-3-190-82 (сталь марки 10, 20 по ГОСТ 1050)
трубы бесшовные на Рраб.<2,2 МПа и Траб.< минус 30°С по ТУ 14-3-1128-82 (сталь марки 09Г2С по ГОСТ 19281)
трубы электросварные на Рраб. <=2,5 МПа и Траб.<=350°С по ГОСТ 20295 тип3 (сталь марки 17ГС, 17Г1С по ГОСТ 19281) по ТУ 14-3-1698-90 (сталь марки 17Г1С-у по ТУ 14-3-1698-90)
листовая сталь на Рраб. <=1,6 МПа и Траб. от минус 20°С до плюс 200°С, марки Ст3Гпс4, Ст3сп5 категории 2-5 по ГОСТ 380, на Траб от минус 20°С до плюс 300°С, марки 20 по ГОСТ 1050
листовая сталь на Рраб. <=2,5 МПа и Траб. от минус 20°С до плюс 350°С, марки 20К по ГОСТ 5520, на Траб от минус 40°С до плюс 350°С, марки 17ГС, 17Г1С по ГОСТ 19281, на Траб от минус 40°С до плюс 425°С, марки 16ГС по ГОСТ 19281, на Траб от минус 60°С до плюс 425°С, марки 09Г2С, 10Г2С1 по ГОСТ 19281.

Смотрите также