Логотип АстронЭнерго

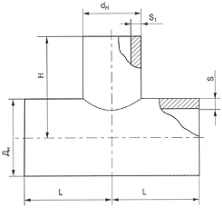
Тройники

Тройники стальные равнопроходные и переходные. Детали для создания ответвлений от магистрального трубопровода. Штампованные (ГОСТ 17376-2001), сварные (ОСТ 36-24-77, ОСТ 34.10.762-97) и штампосварные тройники для теплосетей и нефтегазопроводов.