Логотип АстронЭнерго

Опоры ТС-627.00.00 серия 5.903-13 выпуск 8-95 бугельного типа скользящие, с двумя бугелями

Опоры ТС-627.00.00  серия 5.903-13 выпуск 8-95 бугельного типа скользящие, с двумя бугелями

Ниже представлены технические характеристики и параметры для серии Опоры ТС-627.00.00 серия 5.903-13 выпуск 8-95 бугельного типа скользящие, с двумя бугелями .

Опоры ТС-627.00.00 серия 5.903-13 выпуск 8-95 бугельного типа скользящие, с двумя бугелями Дн 377 - 1420 мм.

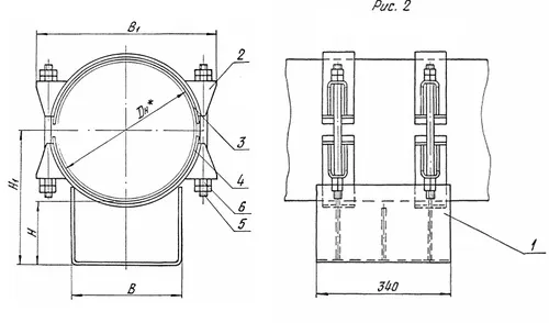
Опоры подвижные бугельные ТС-627.00.00 предназначены для трубопроводов с рабочим давлением Pу до 4,0 МПа и рабочей температурой tраб до +425 °С. 

Бугельные опоры для трубопроводов диаметром от 377 до 1420 мм. Изготавливаются по чертежу ТС-627.00.000СБ серии 5.903-13 вып. 8-95 из углеродистой стали 3. Возможно изготовление из стали 20, 09Г2С.

Опора ТС-627 бугельного типа с двумя бугелями состоит из:

Корпус — 1 шт. Бугель -2 шт. Шпилька — 4 шт. Гайка — 16 шт. Прокладка диэлектрическая — 4 шт.

1768482699927-955696304-opora_ts_627_razmery_2_fill_500x294

Смотрите также