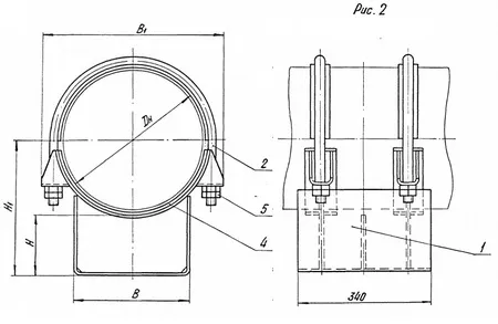
Опоры ТС-626.00.00 серия 5.903-13 выпуск 8-95 хомутовые скользящие, с двумя хомутами
Ниже представлены технические характеристики и параметры для серии Опоры ТС-626.00.00 серия 5.903-13 выпуск 8-95 хомутовые скользящие, с двумя хомутами .
Опоры ТС-626.00.00 по серии 5.903-13 выпуск 8-95 хомутовые скользящие, с двумя хомутами Дн 194 - 1420 мм.
Опоры подвижные хомутовые ТС-626.00.00 предназначены для трубопроводов с рабочим давлением Pу до 4,0 МПа и рабочей температурой tраб до +425 °С.
Изготавливаются по чертежу ТС-626.00.000СБ серии 5.903-13 вып. 8-95 из углеродистой стали 3. Возможно изготовление из стали 20, 09Г2С.
Опора ТС-626 хомутовая с двумя хомутами состоит из:
Корпус — 1 шт. Хомут — 2 шт. Гайка — 8 шт. Прокладка диэлектрическая — 4 шт.