Опоры ТС-670.00.00 серия 5.903-13 выпуск 7-95 хомутовые неподвижные с корпусом
Ниже представлены технические характеристики и параметры для серии Опоры ТС-670.00.00 серия 5.903-13 выпуск 7-95 хомутовые неподвижные с корпусом .
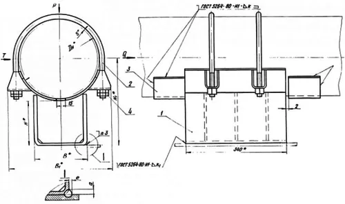
Опоры ТС-670.00.00 серия 5.903-13 выпуск 7-95 хомутовые неподвижные с корпусом Дн 57 - 377 мм.
Неподвижные корпусные хомутовые опоры для трубопроводов диаметром от 57 до 377 мм. Изготавливаются по чертежу ТС-670.00.00 СБ из ууглеродистой стали 3. Возможно изготовление из стали 20, 09Г2С.
Опоры неподвижные хомутовые ТС-670.00.00 с корпусом предназначены для трубопроводов с рабочим давлением Pу до 4,0 МПа и рабочей температурой tраб до +425 °С. Опора ТС-670 состоит из: Корпус — 1 шт. Упор — 4 шт. Хомут — 2 шт. Гайка — 8 шт.
![]()