Опоры Т5.00 серия 4.903-10 выпуск 4 неподвижные лобовые четырёхупорные
Ниже представлены технические характеристики и параметры для серии Опоры Т5.00 серия 4.903-10 выпуск 4 неподвижные лобовые четырёхупорные.
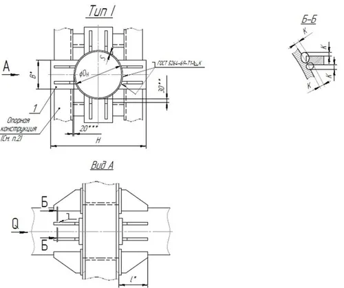
Опоры Т5 серия 4.903-10 выпуск 4 лобовые четырехупорные неподвижные Дн 133 - 1420 мм.
Опоры неподвижные лобовые четырёхупорные Т5.00 предназначены для крепления стальных технологических трубопроводов различного назначения с наружным диаметром dн от 133 до 1420мм. Изготавливаются в соответствии с ТУ-04698606-001-04 ''Опоры трубопроводов'', серия 4.903-10 выпуск 4.
Опора неподвижная Т5 состоит из усиленных упоров, опоры привариваются к трубопроводу при монтаже.
Опора неподвижная лобовая четырехупорная серия 4.903-10 выпуск 4.
Пример условного обозначения опоры неподвижной Т5 для трубопровода Ду 219:
Опора 219-Т5.05
Опоры вида Т5 относятся к виду неподвижных четырехупорных лобовых. Они могут применяться со стальными трубопроводами с различными показателями протяженности, в различных типах оболочки. Использование данного типа опор обеспечивает качественное и стабильное крепление трубы. Именно опоры Т5 компенсируют сильные сдвиги трубы, которые могут образовываться под воздействием различных внешних сил. Таким образом, использование опор данного типа позволяет обеспечить целостность труб на всей протяженности трубопровода. Использование опор данного типа диктуется необходимостью поддержания правильного положения труб, а также защиты труб от провисания и возникновения аварийной ситуации.
Конструкция опоры типа Т5 позволяет обеспечить четкое крепление трубы. Для этого используются 4 сварных упора, которые обхватывают трубу с различных сторон и придают ей большую устойчивость. Опора Т5 состоит из: Упор — 8 шт.
![]()
![]()
Технические характеристики
| Обозначение | Наружный диаметр, dн | Высота, мм | Длина, мм | Ширина, мм | Масса, кг |
|---|---|---|---|---|---|
| Опора неподвижная Т5.02 лобовая | 133 | 260 | 110 | 80 | 8,8 |
| Опора неподвижная Т5.03 лобовая | 159 | 320 | 112 | 90 | 13,2 |
| Опора неподвижная Т5.04 лобовая | 194 | 360 | 100 | 13,7 | |
| Опора неподвижная Т5.05 лобовая | 219 | 420 | 152 | 120 | 23,3 |
| Опора неподвижная Т5.06 лобовая | 273 | 480 | 22,5 | ||
| Опора неподвижная Т5.07 лобовая | 325 | 530 | 162 | 25,2 | |
| Опора Т5.08 неподвижная лобовая | 377 | 580 | 140 | 28,3 | |
| Опора неподвижная Т5.09 лобовая | 426 | 660 | 196 | 150 | 53,4 |
| Опора неподвижная Т5.10 лобовая | 480 | 720 | 180 | 53,8 | |
| Опора неподвижная Т5.11 лобовая | 530 | 770 | 226 | 200 | 54,5 |
| Опора неподвижная Т5.12 лобовая | 630 | 870 | 240 | 57,7 | |
| Опора неподвижная Т5.13 лобовая | 720 | 960 | 266 | 280 | 76,8 |
| Опора неподвижная Т5.14 лобовая | 820 | 1060 | 300 | 80 | |
| Опора неподвижная Т5.15 лобовая | 920 | 1160 | 320 | 84,8 | |
| Опора неподвижная Т5.16 лобовая | 1020 | 1260 | 285 | 360 | 97,6 |
| Опора неподвижная Т5.17 лобовая | 1220 | 1480 | 336 | 400 | 117,6 |
| Опора Т5.18 неподвижная лобовая | 1420 | 1680 | 500 | 132 |