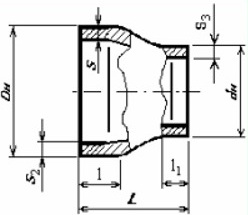
Переходы концентрические ТУ 1469–007–04606975–00 (ТУ 51-467-89)
Ниже представлены технические характеристики и параметры для серии Переходы концентрические ТУ 1469–007–04606975–00 (ТУ 51-467-89).
Переходы концентрические стальные приварные наружным диаметром до 530 мм на условное давление (Ру) свыше 10 МПа (100 кгс/см2) до 28 МПа (280 кгс/см2) предназначены для предприятий нефтегазохимического комплекса, соединения труб технологических трубопроводов, при эксплуатации в интервале температур от минус 60°С до плюс 150°С.
Переходы концентрические изготавливаются из бесшовных труб по ТУ 14-3-1128-82, ТУ 14-3-460-75, ТУ 14-3-1760-91, ТУ 14-3-1618-89, ТУ 14-3-251-74.
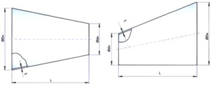
Переход К 89х7-76х6-25-0,75-У ТУ 51-467-89
То же, для перехода концентрического с внутренней расточкой меньшего диаметра под стыковку с трубой 76x4:
Переход К 89х7-76х6/4-25-0,75-У - ТУ1469-007-04606975
Переходы концентрические изготавливаются из бесшовных труб по ТУ 14-3-1128-82, ТУ 14-3-460-75, ТУ 14-3-1760-91, ТУ 14-3-1618-89, ТУ 14-3-251-74.
Обозначение при заказе
Переход концентрический наружным диаметром 89 мм и 76 мм, толщиной стенок 7 мм и 6 мм на давление 25 МПа, из стали 20 при коэффициенте условий работы 0,75 обычного исполнения:Переход К 89х7-76х6-25-0,75-У ТУ 51-467-89
То же, для перехода концентрического с внутренней расточкой меньшего диаметра под стыковку с трубой 76x4:
Переход К 89х7-76х6/4-25-0,75-У - ТУ1469-007-04606975