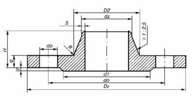
Фланцы стальные воротниковые приварные встык ГОСТ 12821-80.
Стальные приварные фланцы трубопроводов и соединительных частей, а также присоединительные фланцы арматуры, соединительных частей машин, приборов, патрубков, аппаратов и резервуаров на условное давление Ру от 0.1 до 20 МПа и температуру среды от -20°С до +600°С.
Материал: из углеродистых, легированных и нержавеющих сталей. Сталь Ст 3 сп по ГОСТ 380, 09ГС2 по ГОСТ 19281, 10Г2, 15ХМ по ГОСТ 4543, стали 20, 25 по ГОСТ 1050, 12Х18Н10Т, 15Х5М по ГОСТ 5632.
Пример условного обозначения при заказе круглого стального приварного встык фланца Dy 50 мм на Ру 1.0 МПа (10.0 кгс/см2) из стали 25 исполнения 1 (с соединительным выступом):
Фланец -50-10 Ст.25 ГОСТ 12821-80.
Фланцы могут быть изготовлены с исполнением уплотнительных поверхностей 1-9.
Материал: из углеродистых, легированных и нержавеющих сталей. Сталь Ст 3 сп по ГОСТ 380, 09ГС2 по ГОСТ 19281, 10Г2, 15ХМ по ГОСТ 4543, стали 20, 25 по ГОСТ 1050, 12Х18Н10Т, 15Х5М по ГОСТ 5632.
Пример условного обозначения при заказе круглого стального приварного встык фланца Dy 50 мм на Ру 1.0 МПа (10.0 кгс/см2) из стали 25 исполнения 1 (с соединительным выступом):
Фланец -50-10 Ст.25 ГОСТ 12821-80.

Фланцы могут быть изготовлены с исполнением уплотнительных поверхностей 1-9.
Подбор и поставка
Уточним наличие и подготовим КП по этой позиции
Поможем с подбором исполнения, проверим доступность на складе и отправим коммерческое предложение по выбранной позиции или аналогам.
Смотрите также
Другие подкатегории раздела
Отводы
Детали предназначаются для соединения труб из углеродистой стали при строительстве технологических трубопроводов, в том числе трубопроводов, на которые распространяются правила устройства и безопасной эксплуатации трубопроводов пара и горячей воды. Госгортехнадзора на предприятиях химической и нефтехимической промышленности.
Переходы
Переходы стальные концентрические и эксцентрические. Используются для соединения труб различных диаметров. Изготовление методом штамповки (бесшовные) или сварки (листовые) по ГОСТ 17378-2001 и ОСТ. Широкий выбор типоразмеров для любых давлений.
Тройники
Тройники стальные равнопроходные и переходные. Детали для создания ответвлений от магистрального трубопровода. Штампованные (ГОСТ 17376-2001), сварные (ОСТ 36-24-77, ОСТ 34.10.762-97) и штампосварные тройники для теплосетей и нефтегазопроводов.
Заглушки, днище
Заглушки и днища эллиптические. Детали для герметичного закрытия концевых участков трубопроводов и изготовления емкостей. Эллиптические заглушки по ГОСТ 17379-2001, плоские приварные и фланцевые заглушки (АТК, ОСТ).